|
|
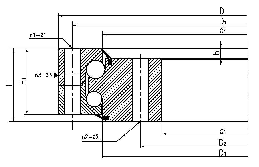
| LYC 型號 | 外形尺寸(mm) | 安裝尺寸(mm) | 結構尺寸(mm) | 齒參數(mm) | 額定軸向靜負荷(KN) | 重量(KG) | | Da | D | di | H | La | Li | n1 | n2 | φ1 | φ2 | d | b | h | B | C | Di | da | m | z | do | x |
| 020.25.500.** |
| 616 | 384 | 106 | 580 | 420 | 20 | 20 | 18 | 18 | | 60 | 10 | 80 | 96 | 517 | 523 | | | | | 1210 | 100 |
| 020.25.560.** |
| 676 | 444 | 106 | 640 | 480 | 20 | 20 | 18 | 18 | | 60 | 10 | 80 | 96 | 577 | 583 | | | | | 1340 | 115 |
| 020.25.630.** |
| 746 | 514 | 106 | 710 | 550 | 24 | 24 | 18 | 18 | | 60 | 10 | 80 | 96 | 647 | 653 | | | | | 1530 | 130 |
| 020.25.710.** |
| 826 | 594 | 106 | 790 | 630 | 24 | 24 | 18 | 18 | | 60 | 10 | 80 | 96 | 727 | 733 | | | | | 1730 | 140 |
| 020.30.800.** |
| 942 | 658 | 124 | 898 | 702 | 30 | 30 | 22 | 22 | | 80 | 10 | 95 | 114 | 822 | 828 | | | | | 2300 | 200 |
| 020.30.900.** |
| 1042 | 758 | 124 | 998 | 802 | 30 | 30 | 22 | 22 | | 80 | 10 | 95 | 114 | 922 | 928 | | | | | 2580 | 250 |
| 020.30.1000.** |
| 1142 | 858 | 124 | 1098 | 902 | 36 | 36 | 22 | 22 | | 80 | 10 | 95 | 114 | 1022 | 1028 | | | | | 2860 | 300 |
| 020.30.1120.** |
| 1262 | 978 | 124 | 1218 | 1022 | 36 | 36 | 22 | 22 | | 80 | 10 | 95 | 114 | 1142 | 1148 | | | | | 3210 | 340 |
| 020.30.1250.** |
| 1426 | 1074 | 160 | 1374 | 1126 | 40 | 40 | 26 | 26 | | 90 | 10 | 121 | 150 | 1282 | 1286 | | | | | 4820 | 580 |
| 020.40.1400.** |
| 1576 | 1224 | 160 | 1524 | 1272 | 40 | 40 | 26 | 26 | | 90 | 10 | 121 | 150 | 1432 | 1436 | | | | | 5430 | 650 |
| 020.40.1600.** |
| 1776 | 1424 | 160 | 1724 | 1476 | 45 | 45 | 26 | 26 | | 90 | 10 | 121 | 150 | 1632 | 1636 | | | | | 6200 | 750 |
| 020.40.1800.** |
| 1976 | 1624 | 160 | 1924 | 1676 | 45 | 45 | 26 | 26 | | 90 | 10 | 121 | 150 | 1832 | 1936 | | | | | 6920 | 820 |
| 020.50.2000.** |
| 2215 | 1785 | 190 | 2149 | 1851 | 48 | 48 | 33 | 33 | | 120 | 12 | 143 | 178 | 2032 | 2038 | | | | | 9870 | 1150 |
| 020.50.2240.** |
| 2455 | 2025 | 190 | 2389 | 2091 | 48 | 48 | 33 | 33 | | 120 | 12 | 143 | 178 | 2272 | 2278 | | | | | 11100 | 1500 |
| 020.50.2500.** |
| 2715 | 2285 | 190 | 2649 | 2351 | 56 | 56 | 33 | 33 | | 120 | 12 | 143 | 178 | 2532 | 2538 | | | | | 11100 | 1500 |
| 020.50.2800.** |
| 3015 | 2585 | 190 | 2949 | 2651 | 56 | 56 | 33 | 33 | | 120 | 12 | 143 | 178 | 2832 | 2838 | | | | | 13900 | 1900 |
| 020.60.3150.** |
| 3428 | 2872 | 226 | 3338 | 2962 | 56 | 56 | 45 | 45 | | 150 | 12 | 170 | 214 | 3192 | 3198 | | | | | 18700 | 3300 |
| 020.60.3550.** |
| 3828 | 3272 | 226 | 3738 | 3362 | 56 | 56 | 56 | 56 | | 150 | 12 | 170 | 214 | 3592 | 3598 | | | | | 21100 | 3700 |
| 020.60.4000.** |
| 4278 | 3722 | 226 | 4188 | 3812 | 60 | 60 | 60 | 60 | | 150 | 12 | 170 | 214 | 4042 | 4048 | | | | | 23700 | 4200 |
| 020.60.4500.** |
| 4778 | 4222 | 226 | 4688 | 4312 | 60 | 60 | 60 | 60 | | 150 | 12 | 170 | 214 | 4542 | 4548 | | | | | 26700 | 4700 |
|