|
|
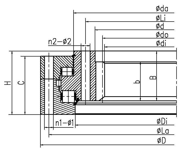
| INA 型號 | LYC 型號 | TG 型號 | 外形尺寸(mm) | 安裝尺寸(mm) | 結構尺寸(mm) | 齒參數(mm) | 額定軸向靜負荷(KN) | 重量(KG) | | Da | D | di | H | La | Li | n1 | n2 | φ1 | φ2 | D1 | d | b | h | B | C | Di | da | m | z | do | x |
| YI 25 0500N |
|
|
260 | 652 | | 148 | 604 | 370 | 16 | 16 | 33 | 33 | | | 102 | 36 | 112 | 134 | 456 | 478 | 10 | 28 | 280 | | 532 | 250 |
| |
133.25.500.** |
|
335 | 634 | | 148 | 598 | 402 | 24 | 24 | 18 | 18 | | 366 | 80 | 10 | 116 | 138 | 526 | 537 | 5 | 68 | 340 | +0.5 | 2750 | 224 |
| |
134.25.500.** |
|
336 | 634 | | 148 | 598 | 402 | 24 | 24 | 18 | 18 | | 366 | 80 | 10 | 116 | 138 | 463 | 474 | 6 | 57 | 342 | +0.5 | 2750 | 224 |
| |
133.25.560.** |
|
395 | 694 | | 148 | 658 | 462 | 24 | 24 | 18 | 18 | | 426 | 80 | 10 | 116 | 138 | 586 | 597 | 5 | 80 | 400 | +0.5 | 3080 | 240 |
| |
134.25.560.** |
|
396 | 694 | | 148 | 658 | 462 | 24 | 24 | 18 | 18 | | 426 | 80 | 10 | 116 | 138 | 523 | 534 | 6 | 67 | 402 | +0.5 | 3080 | 240 |
| |
133.25.630.** |
|
456 | 764 | | 148 | 728 | 532 | 28 | 28 | 18 | 18 | | 496 | 80 | 10 | 116 | 138 | 656 | 667 | 6 | 77 | 462 | +0.5 | 3450 | 270 |
| |
134.25.630.** |
|
456 | 764 | | 148 | 728 | 532 | 28 | 28 | 18 | 18 | | 496 | 60 | 10 | 116 | 138 | 593 | 604 | 8 | 58 | 464 | +0.5 | 3450 | 270 |
| |
133.25.710.** |
|
534 | 844 | | 148 | 808 | 612 | 28 | 28 | 18 | 18 | | 576 | 80 | 10 | 116 | 138 | 736 | 747 | 6 | 90 | 540 | +0.5 | 3880 | 300 |
| |
134.25.710.** |
|
536 | 844 | | 148 | 808 | 612 | 28 | 28 | 18 | 18 | | 576 | 80 | 10 | 116 | 138 | 673 | 684 | 8 | 68 | 544 | +0.5 | 3880 | 300 |
| |
134.32.800.** |
|
590 | 964 | | 182 | 920 | 680 | 36 | 36 | 22 | 22 | | 636 | 120 | 10 | 142 | 172 | 759 | 770 | 10 | 60 | 600 | +0.5 | 5490 | 500 |
| |
133.32.800.** |
|
592 | 964 | | 182 | 920 | 680 | 36 | 36 | 22 | 22 | | 636 | 120 | 10 | 142 | 172 | 830 | 841 | 8 | 75 | 600 | +0.5 | 5490 | 500 |
| YI 20 0815N |
|
|
608 | 954 | | 120 | 905 | 705 | 28 | 28 | 26 | 26 | | | 80 | 30 | 90 | 106 | 781 | 792 | 8 | 78 | 624 | | 833 | 275 |
| |
133.32.900.** |
|
688 | 1064 | | 182 | 1020 | 780 | 36 | 36 | 22 | 22 | | 736 | 120 | 10 | 142 | 172 | 930 | 941 | 8 | 87 | 696 | +0.5 | 6190 | 600 |
| |
134.32.900.** |
|
690 | 1064 | | 182 | 1020 | 780 | 36 | 36 | 22 | 22 | | 736 | 120 | 10 | 142 | 172 | 859 | 870 | 10 | 70 | 700 | +0.5 | 6190 | 600 |
| |
133.32.1000.** |
|
780 | 1164 | | 182 | 1120 | 880 | 40 | 40 | 22 | 22 | | 836 | 120 | 10 | 142 | 172 | 1030 | 1041 | 10 | 79 | 790 | +0.5 | 6890 | 680 |
| |
134.32.1000.** |
|
780 | 1164 | | 182 | 1120 | 880 | 40 | 40 | 22 | 22 | | 836 | 120 | 10 | 142 | 172 | 959 | 970 | 12 | 66 | 792 | +0.5 | 6890 | 680 |
| |
133.32.1120.** |
|
900 | 1284 | | 182 | 1240 | 1000 | 40 | 40 | 22 | 22 | | 956 | 120 | 10 | 142 | 172 | 1150 | 1161 | 10 | 91 | 910 | +0.5 | 7680 | 820 |
| |
134.32.1120.** |
|
900 | 1284 | | 182 | 1240 | 1000 | 40 | 40 | 22 | 22 | | 956 | 120 | 10 | 142 | 172 | 1079 | 1090 | 12 | 76 | 912 | +0.5 | 7680 | 820 |
| |
134.40.1250.** |
|
980 | 1445 | | 220 | 1393 | 1107 | 45 | 45 | 26 | 26 | | 1055 | 150 | 10 | 170 | 210 | 1200 | 1210 | 14 | 71 | 994 | +0.5 | 11100 | 1200 |
| |
133.40.1250.** |
|
984 | 1445 | | 220 | 1393 | 1107 | 45 | 45 | 26 | 26 | | 1055 | 150 | 10 | 170 | 210 | 1290 | 1300 | 12 | 83 | 996 | +0.5 | 11100 | 1200 |
| |
|
|
1032 | 1397 | | 132 | 1345 | 1145 | 36 | 36 | 26 | 26 | | | 106 | 9 | 106 | 123 | 1219 | 1218 | 12 | 87 | 1044 | -0.5 | 7350 | 539 |
| YI 20 1270N |
|
|
1064 | 1408 | | 120 | 1360 | 1160 | 44 | 44 | 26 | 26 | | | 80 | 30 | 90 | 106 | 1236 | 1247 | 8 | 135 | 1080 | | 1278 | 430 |
| |
134.40.1400.** |
|
1134 | 1595 | | 220 | 1543 | 1257 | 45 | 45 | 26 | 26 | | 1205 | 150 | 10 | 170 | 210 | 1350 | 1360 | 14 | 80 | 1120 | +0.5 | 12400 | 1300 |
| YI 25 1390N |
|
|
1140 | 1554 | | 148 | 1494 | 1260 | 32 | 32 | 33 | 33 | | | 102 | 36 | 112 | 134 | 1346 | 1368 | 10 | 116 | 1160 | | 1402 | 720 |
| |
133.40.1400.** |
|
1140 | 1595 | | 220 | 1543 | 1257 | 45 | 45 | 26 | 26 | | 1205 | 150 | 10 | 170 | 210 | 1440 | 1450 | 12 | 96 | 1152 | +0.5 | 12400 | 1300 |
| |
|
|
1162 | 1547 | | 132 | 1495 | 1295 | 36 | 36 | 26 | 26 | | | 106 | 9 | 106 | 123 | 1369 | 1368 | 14 | 84 | 1176 | -0.5 | 8200 | 630 |
| YI 20 1490N |
|
|
1272 | 1628 | | 120 | 1580 | 1380 | 50 | 50 | 26 | 26 | | | 80 | 30 | 90 | 106 | 1456 | 1467 | 12 | 108 | 1296 | | 1493 | 505 |
| |
134.40.1600.** |
|
1328 | 1795 | | 220 | 1743 | 1457 | 48 | 48 | 26 | 26 | | 1405 | 150 | 10 | 170 | 210 | 1550 | 1560 | 16 | 84 | 1344 | +0.5 | 14200 | 1520 |
| |
133.40.1600.** |
|
1330 | 1795 | | 220 | 1743 | 1457 | 48 | 48 | 26 | 26 | | 1405 | 150 | 10 | 170 | 210 | 1640 | 1650 | 14 | 96 | 1344 | +0.5 | 14200 | 1520 |
| |
|
|
1372 | 1747 | | 132 | 1695 | 1495 | 40 | 40 | 26 | 26 | | | 106 | 9 | 106 | 123 | 1569 | 1568 | 14 | 99 | 1386 | -0.5 | 9400 | 705 |
|