|
|
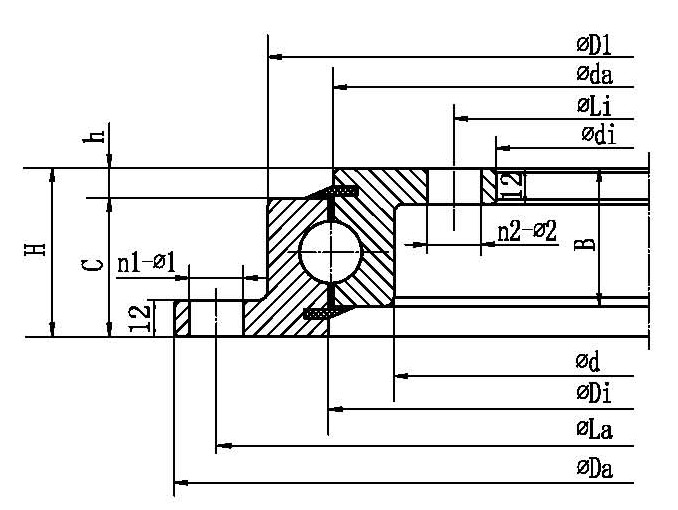
| INA 型號 | Rothe Erde 型號 | TG 型號 | 外形尺寸(mm) | 安裝尺寸(mm) | 結構尺寸(mm) | 齒參數(mm) | 額定軸向靜負荷(KN) | 重量(KG) | | Da | D | di | H | La | Li | n1 | n2 | φ1 | φ2 | D1 | d | b | h | B | C | Di | da | m | z | do | x |
| |
|
|
| 401 | 233 | 40 | 380 | 260 | 8 | 8 | 14 | φ14 | 298 | 348 | | | 30.5 | 30.5 | 320 | 322 | | | | | 65 | 11 |
| |
|
|
| 401 | 233 | 40 | 380 | 260 | 8 | 8 | 14 | φ14 | 298 | 318 | | | 30.5 | 30.5 | 320 | 322 | | | | | 65 | 11 |
| |
|
|
| 360 | 256 | 19.05 | 340 | 276 | 12 | 12 | φ9 | M8 | 325 | | | 2.05 | 17 | 17 | 302 | 300 | | | | | 240 | 4.7 |
| |
230.20.0400.013 |
|
| 518 | 304 | 56 | 490 | 332 | 8 | 12 | 18 | 18 | | | | 10.5 | 45.5 | 45.5 | 415.5 | 412.5 | | | | | 250 | 23.4 |
| |
230.20.0400.503 |
|
| 518 | 304 | 56 | 490 | 332 | 16 | 24 | 18 | 18 | | | | 10.5 | 45.5 | 45.5 | 415.5 | 412.5 | | | | | 250 | 23 |
| |
|
|
| 518 | 304 | 56 | 490 | 332 | 8 | 12 | 18 | φ18 | 454 | 368 | | 10 | 46 | 46 | 415 | 411 | | | | | 480 | 25.3 |
| |
|
|
| 518 | 304 | 56 | 490 | 332 | 8 | 12 | 18 | φ18 | 456 | 372 | | 10 | 46 | 46 | 415.5 | 412.5 | | | | | 620 | 23.5 |
| |
|
SD.505.20.00.C |
| 518 | 304 | 56 | 490 | 332 | 8 | 12 | 18 | φ18 | 453 | 375 | | 10 | 46 | 46 | 415.5 | 412.5 | | | | | 500 | 24.3 |
| VLU200414ZT |
|
|
| 518 | 304 | 56 | 490 | 332 | 8 | 12 | φ18 | φ18 | 458.5 | 369.5 | | 8.5 | 47.5 | 47.5 | 415.5 | 412.5 | | | | | 600 | 26.5 |
| VLU200414 |
|
|
| 518 | 304 | 56 | 490 | 332 | 8 | 12 | 18 | 18 | | | | 8.5 | 47.5 | 47.5 | 415.5 | 412.5 | | | | | 295 | 23.5 |
| |
230.21.0475.013 |
|
| 517 | 305 | 56 | 490 | 332 | 8 | 12 | 18 | 18 | | | | 10.5 | 45.5 | 45.5 | 415.5 | 412.5 | | | | | 250 | 23.4 |
| |
|
|
| 500 | 310 | 52 | 475 | 340 | 8 | 8 | φ13 | φ13 | 374 | 446 | | | 40 | 40 | 404 | 405 | | | | | 370 | 23 |
| |
|
|
| 501 | 333 | 40 | 480 | 360 | 12 | 12 | M12 | M12 | 396 | 446 | | | 30.5 | 30.5 | 418 | 420 | | | | | 88 | 13.6 |
| |
|
|
| 501 | 333 | 40 | 480 | 360 | 8 | 8 | 14.3 | φ14.3 | 396 | 446 | | | 30.5 | 30.5 | 418 | 420 | | | | | 88 | 13.6 |
| |
230.20.0500.013 |
|
| 648 | 434 | 56 | 620 | 462 | 10 | 14 | 18 | 18 | | | | 10.5 | 45.5 | 45.5 | 545.5 | 542.5 | | | | | 330 | 31 |
| |
230.20.0500.503 |
|
| 648 | 434 | 56 | 620 | 462 | 20 | 28 | 18 | 18 | | | | 10.5 | 45.5 | 45.5 | 545.5 | 542.5 | | | | | 330 | 30.4 |
| |
|
|
| 648 | 434 | 56 | 620 | 462 | 10 | 14 | 18 | φ18 | 582 | 500 | | 11.5 | 44.5 | 44.5 | 542 | 540 | | | | | 840 | 33 |
| |
|
|
| 648 | 434 | 56 | 620 | 462 | 10 | 14 | 18 | φ18 | 584 | 498 | | 10 | 46 | 46 | 544 | 541 | | | | | 610 | 33.5 |
| |
|
SD.650.20.00.C |
| 648 | 434 | 56 | 620 | 462 | 10 | 14 | 18 | φ18 | 583 | 505 | | 10 | 46 | 46 | 545.5 | 542.5 | | | | | 660 | 32 |
| |
|
|
| 648 | 434 | 56 | 620 | 462 | 10 | 14 | φ18 | φ18 | 582 | 500 | | 11.5 | 44.5 | 44.5 | 542 | 540 | | | | | 840 | 33 |
| |
230.20.0500.013 |
|
| 648 | 434 | 56 | 620 | 462 | 20 | 28 | φ18 | φ18 | 583 | 505 | | 10.5 | 45.5 | 45.5 | 545.5 | 542.5 | | | | | 660 | 30.4 |
| VLU200544ZT |
|
|
| 648 | 434 | 56 | 620 | 462 | 10 | 14 | φ18 | φ18 | 588.5 | 499.5 | | 8.5 | 47.5 | 47.5 | 545.5 | 542.5 | | | | | 800 | 35.4 |
| VLU200544 |
|
|
| 648 | 434 | 56 | 620 | 462 | 10 | 14 | 18 | 18 | | | | 8.5 | 47.5 | 47.5 | 545.5 | 542.5 | | | | | 385 | 31 |
| |
|
SD.650.20.00.C |
| 648 | 434 | 56 | 620 | 462 | 10 | 14 | φ18 | φ18 | 583 | 505 | | 10 | 46 | 46 | 545.5 | 542.5 | | | | | 400 | 31 |
| |
230.21.0575.013 |
|
| 647 | 435 | 56 | 620 | 462 | 10 | 14 | 18 | 18 | | | | 10.5 | 45.5 | 45.5 | 545.5 | 542.5 | | | | | 330 | 31 |
| |
230.20.0600.013 |
|
| 748 | 534 | 56 | 720 | 562 | 12 | 16 | 18 | 18 | | | | 10.5 | 45.5 | 45.5 | 645.5 | 642.5 | | | | | 390 | 36.4 |
| |
230.20.0600.503 |
|
| 748 | 534 | 56 | 720 | 562 | 24 | 32 | 18 | 18 | | | | 10.5 | 45.5 | 45.5 | 645.5 | 642.5 | | | | | 390 | 35.8 |
| |
|
SD.750.20.00.C |
| 748 | 534 | 56 | 720 | 562 | 12 | 16 | 18 | φ18 | 683 | 605 | | 10 | 46 | 46 | 645.5 | 642.5 | | | | | 780 | 38 |
| VLU200644ZT |
|
|
| 748 | 534 | 56 | 720 | 562 | 12 | 16 | φ18 | φ18 | 685 | 602 | | 8.5 | 47.5 | 47.5 | 645.5 | 642.5 | | | | | 780 | 38 |
| VLU200644ZT |
|
|
| 748 | 534 | 56 | 720 | 562 | 12 | 16 | φ18 | φ18 | 688.5 | 599.5 | | 8.5 | 47.5 | 47.5 | 645.5 | 642.5 | | | | | 900 | 42 |
|